share
CL-01 联轴器Accessories rotary encoders
扭转刚性和零反相间隙的高质量联轴器
补偿安装误差
均衡的扭转刚度 (弹簧扭矩常数)
可设置额外的键槽
Technical parameter
Expand all
Technical parameters - Electrical parameters
Technical parameters - mechanical parameters
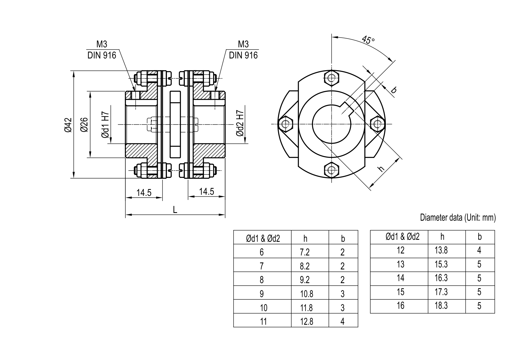
| 安装方式 | 适用轴径:ø6…16 mm |
| 键槽 | 2…5mm |
| 运行速度 | ≤15000 rpm |
| 转动惯量 | 89 · 10-3 kgcm2 |
| 运行转矩 | ≤2 Ncm |
| 最大转矩 | 3 Nm |
| 容许轴向移动 | ± 0.7 mm |
| 容许轴向移动 | ± 0.2 mm |
| 容许角度误差 | ± 1 ° |
| 电气绝缘 | No |
| 重量 | 50g |
Technical parameters - Circuit
Mechanical drawing
Expand all
Mechanical drawing

Ordering information
Expand all
Ordering information

